H系列底板安装型隔离式安全栅

您的位置: 首页 > 隔离式安全栅 > H系列底板安装型隔离式安全栅

PHC-22HD-1111

咨询热线 400-711-6763

咨询热线 400-711-6763

留言咨询
模拟量输入隔离式安全栅   PHC-22HD-1111

概述
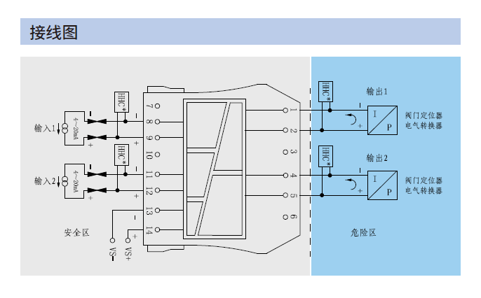
底板安装型隔离式安全栅:PHC-22HD-1111,可实现将安全区仪表的4~20mA信号传输到
危险区,驱动现场的阀门定位器、电/气转换器等设备,同时支持HART数字信号双向传输。
该产品需独立供电,电源、输入、输出三端隔离。
 
 
供电电压 20-35VDC,功耗约2W  (24VDC供电,输出20mA时)
输入信号 4~20mA (HART)
输出信号 4~20mA (HART)
允许输出负载能力 0~500 Ω
输入输出路数 二路输入,二路输出
适用的现场设备 阀门定位器,电/气转换器
温度参数 工作温度:-20℃-+60℃,存储温度:-40℃-+80℃
空气相对湿度 10%~95%RH无凝露
绝缘强度 本安端与非本安端(≥3000VAC/min);电源与非本安端之间(≥1500VAC/min)
绝缘电阻 ≥100MΩ(输入/输出/电源间)
外形尺寸 厚12.5mmx宽108mmx高118mm
电磁兼容性 符合IEC 61326-1 (GB/T 18268),IEC 61326-3-1
防爆标志 [Exia Ga]IIC
认证机构 国家防爆电气产品质量监督检验中心CQST认证
认证参数(端子1-2,3-4之间) Um=250V  Uo=28V  Io=93mA  Co=0.05μF  Lo=2.4mH  Po=0.65W
安装场所要求 可与具有ⅡA、ⅡB、ⅡC危险气体的0区本安仪表相连接
平均无故障时间 ≤100000小时

—— 留言咨询 ——